南樺 電子報 406 出刊日期 | 2025.09.15
 
簡單介紹三菱 Q 系列 PLC Q64AD 類比輸入模組使用方式:

簡介
第一次上手 Q64AD 時,往往不知該如何下手,在此簡單介紹 Q64AD 使用方式。


接線 :  

 端子分為左邊與右邊
 左邊端子為2/4/6/8/10/12/14/16/18 的編號
 (偶數號)
 右邊端子為1/3/5/7/9/11/13/15/17 的編號
 (奇數號)

 電壓輸入
 1.把V+ → 當電壓輸入的正端
 2.把V- → 當電壓輸入的負端
 3.隔離網 → 接SLD(可不接)

 電流輸入
 1.接線把 V+ 與 I+ 短接 → 當電流輸入的正端
 2.把 V- → 當電流輸入的負端
 3.隔離網 → 接 SLD (可不接)

 站 I/O 共 16 點

 

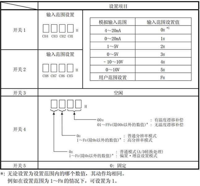
設定輸入模式 : (設定Switch) 

 在參數\PLC參數\ 點進去

 

 
 1.模塊1 : 選智能
 2.型號 : 打 Q64AD
 3.點數 : 選16點
 4.起始XY : 設 0000
 也可不設定
 若不設定重 0000 開始

 點開關設定

 若全部設定好
 按設定結束

 開關 1 : 設 3210
 0 : 表示 CH1 所選設定模式
 1 : 表示 CH2 所選設定模式
 2 : 表示 CH3 所選設定模式
 3 : 表示 CH4 所選設定模式

 0 : 表示輸入(4~20mA)
 1 : 表示輸入(4~20mA)
 2 : 表示輸入(1~5V)
 3 : 表示輸入(0~5V)

 設定好 按 設定結束
 細項請參考下面表格

 電壓 一般範圍
 電壓 高解析度
 電流 一般範圍
 電流 高解析度
 輸入I/O

 參數(紀錄緩衝區)

 程式範例
 (使用FROM/TO)

 若不宣告 此段程式
 可省略

 把 CH1~CH4 資料讀回
 若不需要 此段可省略

數模轉換模組使用者手冊(詳細篇)下載


  • 欲訂閱或取消南樺電子報 http://cht.nahua.com.tw/epaper/
  • 關於電子報發送有任何疑問,請連絡 epaper@nahua.com.tw
  • 電子報版權所有,轉載必究,欲轉載請聯絡 mail@nahua.com.tw